迅维网

当前专题 cpu供电电压低

昂达H61N 有EN 电压 无cpu供电 怎么修

昂达H61N 有EN 电压 无cpu供电 怎么修

昂达H61N 有EN 电压cpu供电 怎么修,偶尔有可以点亮 然后一会黑屏,黑屏时无CPU电压,开机信号是用电压的 总线也有电压

标签: 无CPU供电   阅读全文

关于Y470没有CPU供电芯片B+电压没有的问题

关于Y470没有CPU供电芯片B+电压没有的问题

不知过了多久 机器不亮了 问题出来了 电流0.4 9 想想不会是桥吧 光想是没有用的 拆机,上电测电压 电流0.49 CPU供电 95831第23PIN没有电压,虽然好解决 这时...

标签: 开不了机   阅读全文

CPU供电上管没驱动电压,电源管理芯片换了没用,电容...

CPU供电上管没驱动电压,电源管理芯片换了没用,电容...

一个D525的小板,偶尔开机,不开机的时候表现为CPU供电上管没有驱动电压,下管有,CPU的电源管理芯片是UP1514Q,换过,没用,周围的大电容基本换遍了,上下管...

标签: 不开机   阅读全文

V星MS-7236 R2.5 无CPU电压 和内存供电3V维修

V星MS-7236 R2.5 无CPU电压 和内存供电3V维修

找了张图纸,查电压发现无CPU电压,查EN发现无电压,直接拆Q1001,跑马发现卡内存,我曹,内存供电3V.这是要疯?查电压发现供电只有4.14V,不正常,查源头,发现...

标签: cpu   芯片   阅读全文

华硕B75开机供电报错,cpu12v电压偏高

华硕B75开机供电报错,cpu12v电压偏高

最近遇到很多华硕b75主板,开机报供电错误,进bios一看cpu12供电偏高,达到17v之多,很多论坛上关于换限流电阻之类的,不仅麻烦而且不稳定,本人直接把两个电阻...

标签: 华硕   阅读全文

技嘉GA-F2A88XM-DS2主板CPU供电电压正常吗?...

技嘉GA-F2A88XM-DS2主板CPU供电电压正常吗?...

经测试无复位,CPU供电。仔细检查周边电路,发现PWM芯片旁一个芝麻电阻或电容被磕掉了。 到迅维网下到了图纸,位置图因为权限...

标签: cpu   芯片   阅读全文

V星G41-M-S26 没有CPU供电电压

V星G41-M-S26 没有CPU供电电压

V星G41-M-S26 没有CPU供电电压不跑马. 主板刚接回来上电测试时能跑马有显示,在DOS下测试不到10分钟就黑屏了按键盘也没有反应死机了按复位键也没有反应断电再开机...

标签: cpu   cpu供电   黑屏   阅读全文

4代I系列CPU没有正常工作时CPU供电电压是多少

4代I系列CPU没有正常工作时CPU供电电压是多少

4代I系列CPU没有正常工作时CPU供电电压是多少

标签: cpu   cpu供电   阅读全文

联想E40 版号LA-B092P CPU电压1.8V 供电电路发烫

联想E40 版号LA-B092P CPU电压1.8V 供电电路发烫

昨天接到机器 进水的 进水在声卡 EC处 面积小 清理完电流上0.45A 测量CUP电压1.5 过一会上1.8V 并且MOS管和供电芯片发烫 后级阻值正常 现在定了供电芯片 请问...

标签: cpu   芯片   供电芯片   阅读全文

梅捷N78GM3 CPU供电主板12V电压只有5.5 求指教

梅捷N78GM3 CPU供电主板12V电压只有5.5 求指教

一块梅捷N78GM3主板 上电不亮 手摸CPU无温度,测得4口12V供电只有5.5V(不点开机键电压也只有5.5V)判断是有微短测得4针阻值470 相连原件没拆板测没有短路 求...

标签: cpu   cpu供电   阅读全文

cpu供电芯片EN脚拉低电压

cpu供电芯片EN脚拉低电压

在使能脚有2v时cpu供电有1.1v,但把cpu放上去了一上电就掉电了。是不是这芯片有问题,如果芯片的后级电路有问题这使能脚会不会也会把3v电压?...

标签: cpu   芯片   阅读全文

K53SD REV5.1上CPU无U供电不上有电压维修

K53SD REV5.1上CPU无U供电不上有电压维修

上午同行拿来一ASUS裸板,说开机没有CPU供电,不上CPU就有,叫看看!上两张主板图:1097163 10971641097165[/attach...

标签: 158   214   222   阅读全文

联想E49AL 不出CPU供电 其他电压都有了 

联想E49AL 不出CPU供电 其他电压都有了 

不出CPU供电 其他电压都有了 二修机 是不是 小玻璃晶体不好换啊 求助 

标签: 求助   联想   阅读全文

不装CPU 出CPU核心供电0.6V电压 装CPU 不出核心供电

不装CPU 出CPU核心供电0.6V电压 装CPU 不出核心供电

这种是什么情况啊

标签: cpu   阅读全文

MS-H61XL 不出CPU供电,芯片是RT8859M,上管有电压,...

MS-H61XL 不出CPU供电,芯片是RT8859M,上管有电压,...

铭瑄 MS-H61XL 不出CPU供电,芯片是RT8859M,38脚 EN 1.07v 41脚vcc5v 47DVDA 1.3V 48DVD 1.3V 49 TONSETA 11.56V 50 TONSET 11.81V 不知道这些电压对不对,麻烦...

标签: cpu   芯片   阅读全文

联想旭日150 电流到0.38 怎么修也不出CPU电压,供电IC...

联想旭日150 电流到0.38 怎么修也不出CPU电压,供电IC...

联想旭日150,顾客说之前是家修过这个供电IC 3205,用了...CPU供电电压VCCCPUCORE的大小,由VID信号控制

标签: 无CPU供电   阅读全文

东芝L40-A 集显供电 不出,CPU这个电压正常吗

东芝L40-A 集显供电 不出,CPU这个电压正常吗

还有就是3V待机:3.4V,5V待机:5.18V正常吗,是不是CPU供电不正常导致集显不出。 10175151017516

标签: cpu   阅读全文

3相cpu供电没有电压,会有南桥PG信号么?

3相cpu供电没有电压,会有南桥PG信号么?

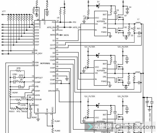
主板CPU供电是 NCP5392+N5359 现在能开机触发电源,但是假负载没有核心电压,没有PG信号。万用表测 三对供电管 G 级都是两两导通,是N5359短路导致么?...

标签: cpu   阅读全文

惠普TPN-Q121 待机003 ...各电感电压都有 CPU供电1.0V

惠普TPN-Q121 待机003 ...各电感电压都有 CPU供电1.0V

惠普TPN-Q121 待机003 开机到0304 不亮机。各电感电压都有 CPU供电1.0V

标签: cpu   阅读全文

G470 没CPU供电 断开24脚电阻有电压

G470 没CPU供电 断开24脚电阻有电压

G470 没CPU供电 VRON 来了 断开24脚电阻有电压 接上又没电压了 H_CPUPWRGD 有1.0V 去CPU 的 南桥换过 BIOS 刷过 还是不出CPU 电压

标签: cpu   阅读全文

返回顶部
附近
店铺
微信扫码查看附近店铺
维修
报价
扫码查看手机版报价
信号元
件查询
点位图


芯片搜索