迅维网

标题: 求助:这是主板插电能用,啥问题 [打印本页]

作者: u1585455    时间: 2026-2-25 15:49
标题: 求助:这是主板插电能用,啥问题
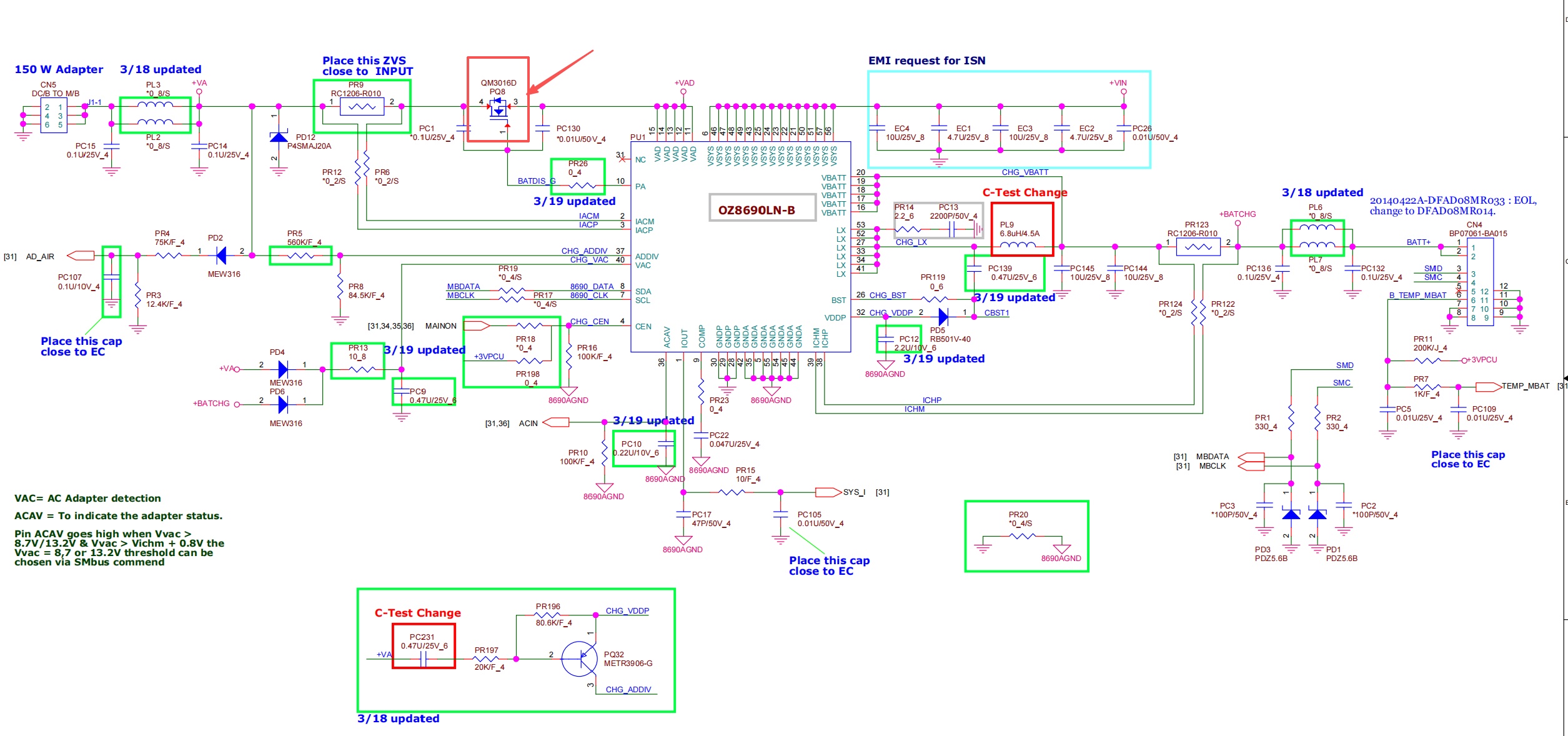
请教各位老师这个三极管1和3短接直接插电能够启动,但是正常状态无法启动,什么问题,换了一些充电芯片还是一样的状态。不知道怎么查,怎么维修

                               
登录/注册后看高清大图


作者: 微醉的迷情    时间: 2026-2-26 10:23
这特喵是个N沟道MOS管,1脚是控制几,13短接是哪个老师教你的,赶紧退学费去
作者: VXM1BYTn    时间: 2026-2-26 10:34
管子击穿了吧,是不是1和4短路了?换管子试试
作者: 84106846    时间: 2026-2-26 18:24
他应该是连的3--4脚
作者: blucelei    时间: 2026-2-26 20:25
你的这个短接不行啊   不能给EC发 ACIN信号




欢迎光临 迅维网 (https://www.chinafix.com/) Powered by Discuz! X3.4