迅维网

标题: PWM芯片满足什么条件才能工作! [打印本页]

作者: 修不好头疼    时间: 2026-1-1 12:07
标题: PWM芯片满足什么条件才能工作!
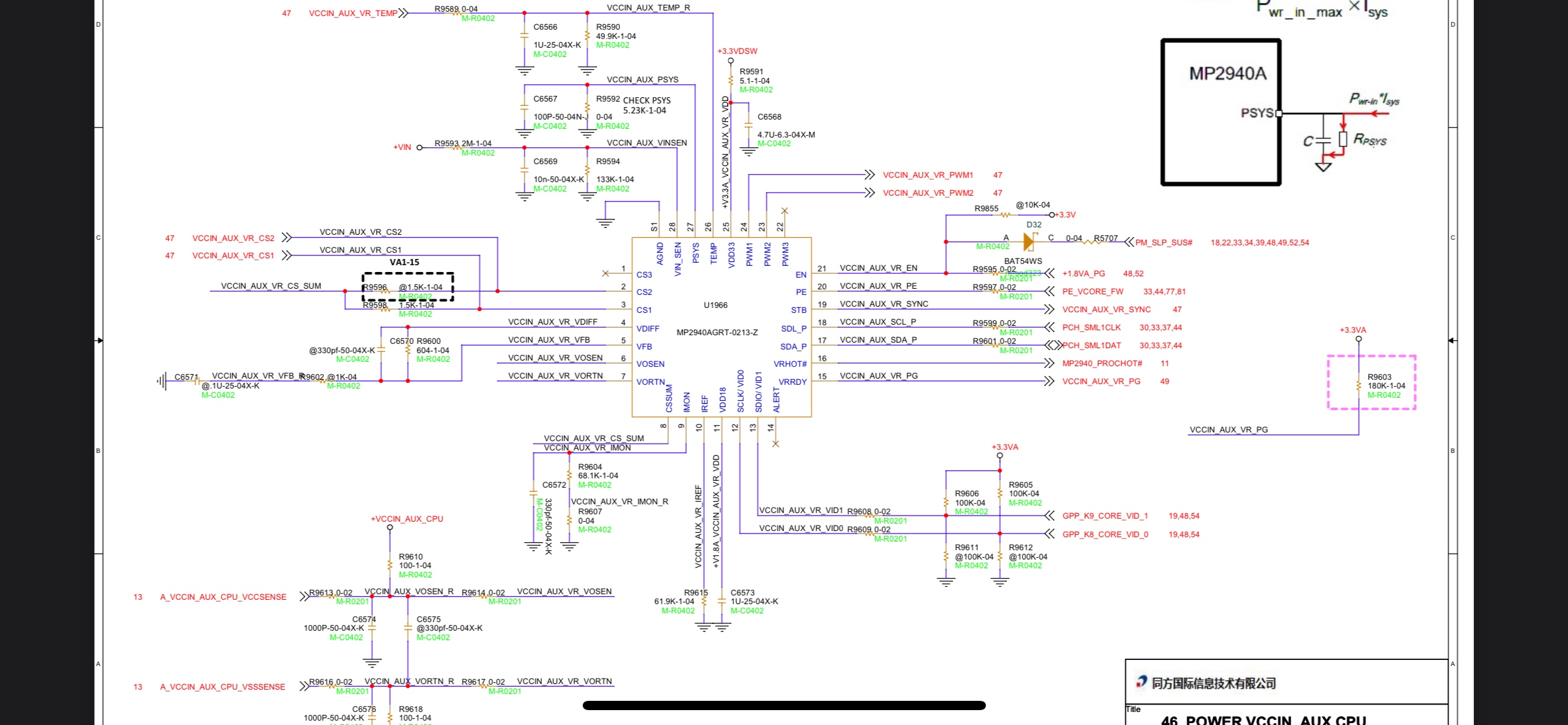
这个MP2940要满足什么条件才能发出PWM,EN有2.6v vin 有1.2v VDD也有,不出PWM波,,是因为PE没有电压吗!PE脚不知道干嘛的,但是直接连的EC,查了下这个脚还连了GPU CPU 内存的供电芯片!所以这个脚应该是挺重要的,但是现在没电压啥问题!求救求救,

                               
登录/注册后看高清大图


                               
登录/注册后看高清大图


                               
登录/注册后看高清大图


                               
登录/注册后看高清大图


                               
登录/注册后看高清大图


作者: 修不好头疼    时间: 2026-1-5 09:42
这个脚就是没有电压,属于正常的,一个都不回一下




欢迎光临 迅维网 (https://www.chinafix.com/) Powered by Discuz! X3.4