迅维网

标题: 求帮助待机CPU1.7v不出, [打印本页]

作者: 修不好头疼    时间: 2025-12-30 12:15
标题: 求帮助待机CPU1.7v不出,
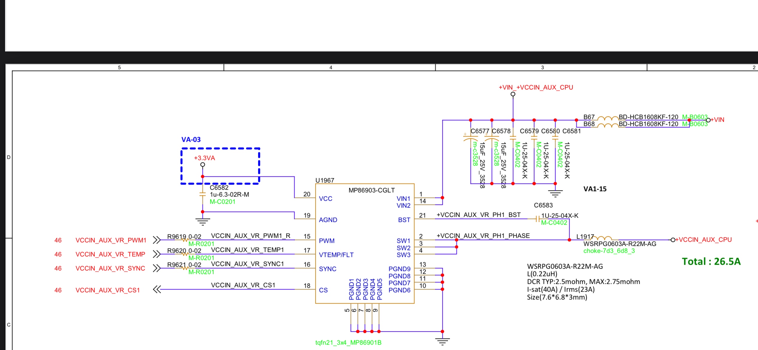
主控是MP2940AGRT.不知道它要满足什么条件才出pWM.,pWM脚有电压,但是示波器测了没波,U1967也没输出,
EN有2.6v,vin也有1.2v,PE没有,PE是EC发出来的,
这个供电电感测得对地有300多,没电压


                               
登录/注册后看高清大图


                               
登录/注册后看高清大图


                               
登录/注册后看高清大图






欢迎光临 迅维网 (https://www.chinafix.com/) Powered by Discuz! X3.4