迅维网

标题: 戴尔的主机灵越3890,板号是1 [打印本页]

作者: 544281350    时间: 2025-7-16 10:48
标题: 戴尔的主机灵越3890,板号是1
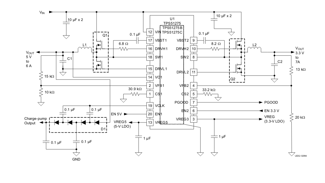
戴尔的主机灵越3890,板号是19481-3这个机型论坛里的维修案例太少,本机故障是5v的电源管理tps51275b进水了,开关键不出电压,5v和3.3v都没有,电源指示灯亮3秒就灭。求大神指点EN23.3正常,PGOOD没有输出电压

                               
登录/注册后看高清大图

                               
登录/注册后看高清大图

                               
登录/注册后看高清大图






欢迎光临 迅维网 (https://www.chinafix.com/) Powered by Discuz! X3.4