迅维网

标题: 新手3080Ti显卡求助开机5V [打印本页]

作者: 百度wkeUp    时间: 2025-5-5 14:27
标题: 新手3080Ti显卡求助开机5V
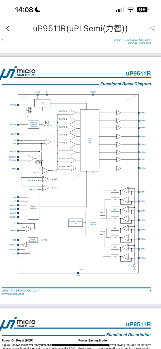
新手 3080Ti显卡 求助  开机 5V  1.8V  1.3V  正常 MsVdd 0.7V 偏低  然后缺少 核心供电  按时序来说 没有核心供电 1.3V应该不会有   查UP9511R 5V VCC 正常 EN 0V低电压没开启信号   但是 PWM 输出 万用表测 有1.8V 电压  这板子是不是废了

                               
登录/注册后看高清大图

                               
登录/注册后看高清大图






欢迎光临 迅维网 (https://www.chinafix.com/) Powered by Discuz! X3.4