迅维网

标题: BQ24780s不充电已经解决 [打印本页]

作者: 东兴荣盛赖龙盛    时间: 2024-9-26 18:31
标题: BQ24780s不充电已经解决
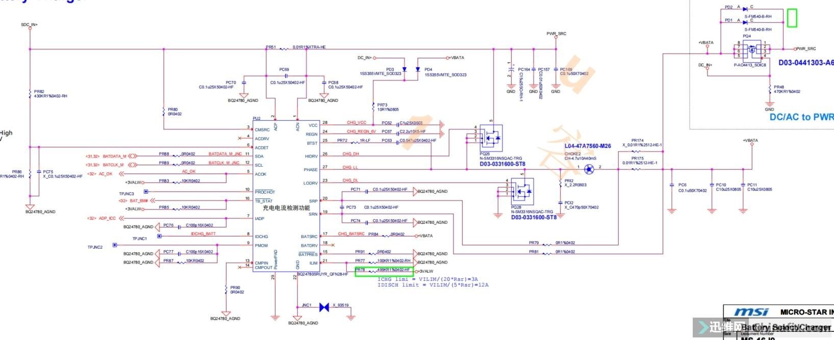
BQ24780s不充电已经解决,有时很正常充电,有时经常不充电,测量阻值BQ24780s充电芯片脚位都正常,测试充电下管g极相连BQ24780s23脚 1.5v时有时无,测量充电下管g极各阻值也正常,更换新的BQ24780s充电芯片还是不行,订购了2次全新电池还是不行,够折腾人的

                               
登录/注册后看高清大图

                               
登录/注册后看高清大图

                               
登录/注册后看高清大图

                               
登录/注册后看高清大图
最后不信邪了,更换充电下管解决。(时好时坏的充电管很邪性

                               
登录/注册后看高清大图

                               
登录/注册后看高清大图

                               
登录/注册后看高清大图


                               
登录/注册后看高清大图


                               
登录/注册后看高清大图


                               
登录/注册后看高清大图


                               
登录/注册后看高清大图


                               
登录/注册后看高清大图


                               
登录/注册后看高清大图


                               
登录/注册后看高清大图


                               
登录/注册后看高清大图


作者: JasonW    时间: 2024-9-26 18:37
最好上下管一起换
作者: 微醉的迷情    时间: 2024-9-27 09:36
楼上说的对,最好上下一起换,而且修这种问题,用示波器就简单多了
作者: 统领三界    时间: 2024-9-27 17:18
有时候一个充电问题让人头疼的很
作者: chenjm86    时间: 2024-9-27 17:55
充电电路MOS坏的可能性还是很高的
作者: 广西本土    时间: 2024-9-30 14:20
今天修到一台华硕U4000 笔记本板号:K401UQ  REV.2.0。。故障现象:插电待机0.000V按开机键没有反应不能触发,拆机测量发现没有19V公共点电压是由BQ24780S控制测主要的几脚:
BQ24780S  4脚ACDRV 隔离管G脚:0V(正常24V)
BQ24780S  25脚BTST自举升压:5.84V(正常17V)

BQ24780S  6脚ACDET交流电源检测:2.61V
BQ24780S  24脚REGN蕊片自供电:6.01V
BQ24780S  28脚VCC供电:19V

分析:当BQ24780S 的6‘24’28脚电压正常情况下 4脚就会产生24V电压驱动隔离管产生公共点电压,现在不能产生重点围绕这个问题来检查首先更换一片全新的BQ24780S插电公共点电压能够出来,但是好景不长10秒钟后就消失为零。好像有什么东西不良或虚焊‘脱焊’接触不好‘不稳定一样按照这个思路用放大镜重点观察隔离管这部分电路元件发现有一个电阻表面有点发霉很不明显不注意是看不出来的,吹枪吹出来清理于净重新焊接包满圆润,插电待机0.015。。。。。。按开机键触发进系统拷机24小时没有问题故障修复!!!这个电阻是隔离管G 脚偏置电阻发霉了倒至4脚不产生24V不能产生公共电压。



作者: tulijunyw    时间: 2024-9-30 15:40
高手,谢谢分享
作者: 不忘初心9209    时间: 2024-10-1 13:45
所以修好之后的电压有什么变化呢?
作者: rainer    时间: 2024-10-2 07:50
感谢经验分享                              
作者: laowu8788    时间: 2024-10-2 07:54
用示波器直接看G极应该可以很快发现问题
作者: wpyjp    时间: 2024-10-3 07:29
上下一起换
作者: tulijunyw    时间: 2024-10-3 09:16
楼主用的什么手机,照片好清楚,
作者: star365592445    时间: 2024-10-3 16:40
感谢分享!学习了。
作者: rainer    时间: 2024-10-4 09:06
感谢分享                                             
作者: 微醉的迷情    时间: 2024-10-4 23:17
本帖最后由 微醉的迷情 于 2024-10-4 23:18 编辑

感谢分享,
作者: mask    时间: 2024-10-18 16:11
你这个是隔离不过,一般都是先换公共点那一对N管

作者: wks123    时间: 2024-10-20 17:38
我遇到很多华硕的都是那个1M电阻的问题
作者: u1568089    时间: 2024-11-10 18:18
感谢分享维修经验

作者: VXxOWpyM    时间: 2024-11-15 10:19
换管建议一起换
作者: chenjm86    时间: 2024-11-21 20:09
这个板隔离管也坏得多
作者: cslxh2006    时间: 2024-11-21 20:58
上下管也会影响,下次换芯片我也要注意一下了。。。。。。。。。。。




欢迎光临 迅维网 (https://www.chinafix.com/) Powered by Discuz! X3.4