迅维网

标题: fx80g 烧充电芯片24780求大师指点 [打印本页]

作者: chaogushen    时间: 2024-9-16 13:34
标题: fx80g 烧充电芯片24780求大师指点
华硕主板fx80g原故障是触发电流上到0.12A掉电,没事干,我把这个0.005Ω的电阻用风枪取下,量了一圈,没发现问题,加了点锡再把这个电压检测电阻用风枪吹上去,装上后插电,电流待机稍大,几秒后啪一下电池芯片冒烟了。就在芯片1脚和2脚附近烧糊了。我真是见鬼了,是这个电阻分正负极,还是风枪把电阻吹坏了,导致烧电池芯片?懵圈了,彻底糊涂了。还是所有的板这个电阻不能轻易动他。


                               
登录/注册后看高清大图


                               
登录/注册后看高清大图


作者: chaogushen    时间: 2024-9-16 13:40
华硕这机没有pdf 只有点位图,上面那个是宏基的电路图截图的。
作者: chaogushen    时间: 2024-9-16 13:41


                               
登录/注册后看高清大图

作者: chaogushen    时间: 2024-9-16 13:43
画红圈的那个黑电阻,取了。箭头处芯片烧了
作者: chaogushen    时间: 2024-9-16 13:56
这个电阻是连到芯片的1脚和2脚  
作者: chaogushen    时间: 2024-9-16 14:13
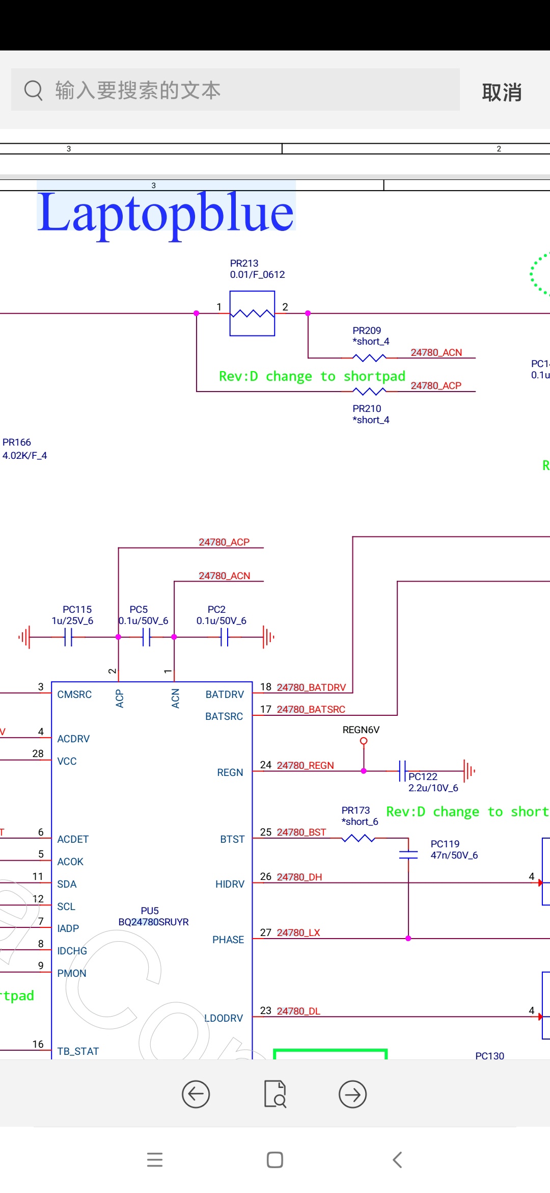
电阻0.005Ω吗?

                               
登录/注册后看高清大图

作者: u1555742    时间: 2024-9-16 14:57
应该是PR213断路了,大电流直接加检测电路上了
作者: 恋上【妳的床】    时间: 2024-9-16 19:38
之前碰到一台HP的暗影精灵,无缘无故就烧24780,所有脚位都不短路,就是一装上就烧
作者: u1515397    时间: 2024-9-18 01:14
怀疑你冷却时间不够。
作者: chaogushen    时间: 2024-9-20 11:01
u1555742 发表于 2024-9-16 14:57
应该是PR213断路了,大电流直接加检测电路上了

断路不会烧的。。会让公共点没电压。。
作者: chaogushen    时间: 2024-9-20 11:04
u1515397 发表于 2024-9-18 01:14
怀疑你冷却时间不够。

确实没怎摸冷却。。。。。难道真是这个原因引起的?

作者: chaogushen    时间: 2024-9-20 11:07
现在是电池芯片  1  2  脚位的焊盘都掉了。。。麻烦了。

作者: chaogushen    时间: 2024-9-20 11:09
恋上【妳的床】 发表于 2024-9-16 19:38
之前碰到一台HP的暗影精灵,无缘无故就烧24780,所有脚位都不短路,就是一装上就烧

和我的问题应该差不多

作者: u1555742    时间: 2024-9-20 12:36
chaogushen 发表于 2024-9-20 11:01
断路不会烧的。。会让公共点没电压。。

PR213 阻值才0.01,正常两段电压很小,如过断开电压直接加在了芯片的控制电路,电流也直接流过控制电路。肯定会烧




欢迎光临 迅维网 (https://www.chinafix.com/) Powered by Discuz! X3.4