迅维网

标题: DELL E6430 LA-7781P 掉电 [打印本页]

作者: u1492746    时间: 2024-8-26 17:52
标题: DELL E6430 LA-7781P 掉电
电脑的问题是触发掉电,看电流:
[video=http://appatt.chinafix.com/pic/20240826/1724663173286770_14.jpg]http://appatt.chinafix.com/video/20240826/1724663167140316_657.mp4[/video]
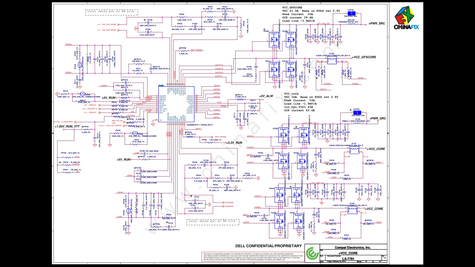
去测量了各个电感,发现PU200控制产生的+0.75V_DDR_VTT电压没有,在上电的时候摸了一下PU200在一瞬间发烫,后熏了松香,芯片确实烧了,代换后+0.75V_DDR_VTT电压出来。

                               
登录/注册后看高清大图

可问题依旧,后发现PU700控制产生的+VCC_CORE电压没有出来,也就是测量PL701和PL702两个电感没有CPU供电。
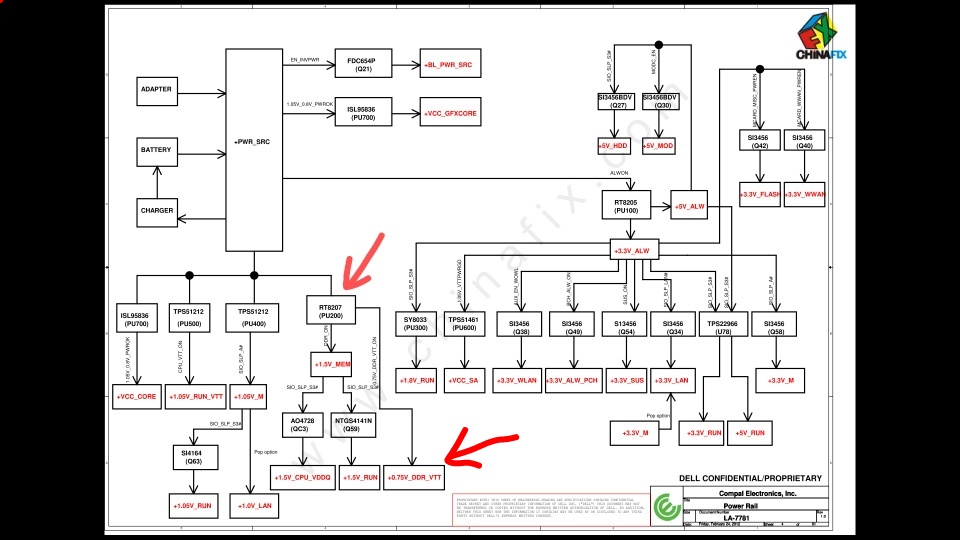
后来就测量PU700的工作条件,就测量了25脚和26脚5V电压正常,其它的条件就不知道了,于是就测量了3脚、12脚、19脚,发现这些电压时有时无,有的时候电流就上去了。没有的时候电流就掉下来了。

                               
登录/注册后看高清大图

于是就去看了下+3.3V_RUN和+5V_RUN的出处,然后就看到是SIO_SLP_S3#控制Q52A的导通与否决定+3.3V_RUN和+5V_RUN等电压是否产生。所以,如果PU700需要这些电压正常才能达到条件,然后才能产生CPU供电,那控制+3.3V_RUN等这些电压产生的SIO_SLP_S3#就是就是问题的根源。但有同样的板,我直接先换了PU700,结果还是一样的。

                               
登录/注册后看高清大图

所以,蒙了,不知道还要查哪些条件,不会了,难道是桥的问题?或者EC?
有没有大佬指点一二。

注:已经取了小电池,所以上电之后自动开。

作者: u1492746    时间: 2024-8-26 17:53
有缘见者,请求指点。
作者: 小余电脑维修    时间: 2024-8-27 06:41
bios刷了吗
作者: u1492746    时间: 2024-8-27 09:04
小余电脑维修 发表于 2024-08-27 06:41
bios刷了吗

BIOS已经刷了
作者: hanjia    时间: 2024-8-27 09:16
本帖最后由 hanjia 于 2024-8-27 09:18 编辑

检查桥关键脚的电压。
作者: liupinganxinkej    时间: 2024-8-27 09:53
E6430 LA-7781P 图纸与点位

LA-7781P.cad

1.43 MB, 下载次数: 1, 下载积分: 下载分 -2 分, 下载 1 次

LA-7781P.pdf

4.4 MB, 下载次数: 1, 下载积分: 下载分 -2 分, 下载 1 次






欢迎光临 迅维网 (https://www.chinafix.com/) Powered by Discuz! X3.4