迅维网

标题: 杂牌机,插上电池开不了机,能充电 [打印本页]

作者: 一诚科技1    时间: 2024-5-23 09:08
标题: 杂牌机,插上电池开不了机,能充电
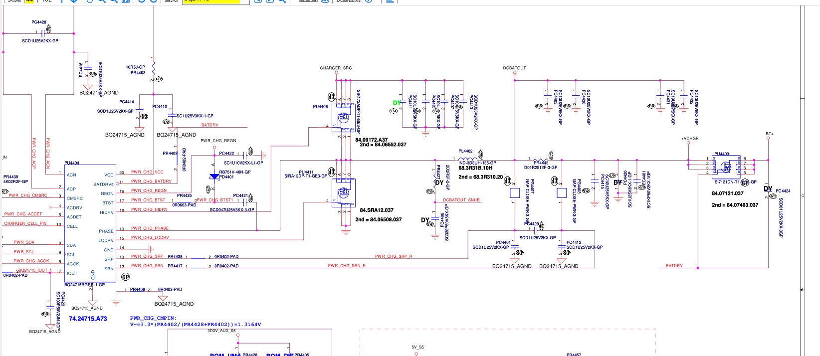
杂牌机,插上电池开不了机,能充电,单插电池,公共点有8.45v,正常应该.8.9v,少了0.4V,找不到隔离保护管

                               
登录/注册后看高清大图
,帮忙看看

                               
登录/注册后看高清大图

                               
登录/注册后看高清大图


作者: 多核电脑    时间: 2024-5-23 17:42
通病 键盘坏了    山寨机 键盘坏太多 你看到键盘 接口 哪里有2个点没 短接一下就能开机!
作者: 一诚科技1    时间: 2024-5-25 15:13
键盘进水了。串键,开机正常。不过无法插电池使用




欢迎光临 迅维网 (https://www.chinafix.com/) Powered by Discuz! X3.4