迅维网

标题: 新人维修求助 [打印本页]

作者: u1451425    时间: 2023-11-15 21:45
标题: 新人维修求助
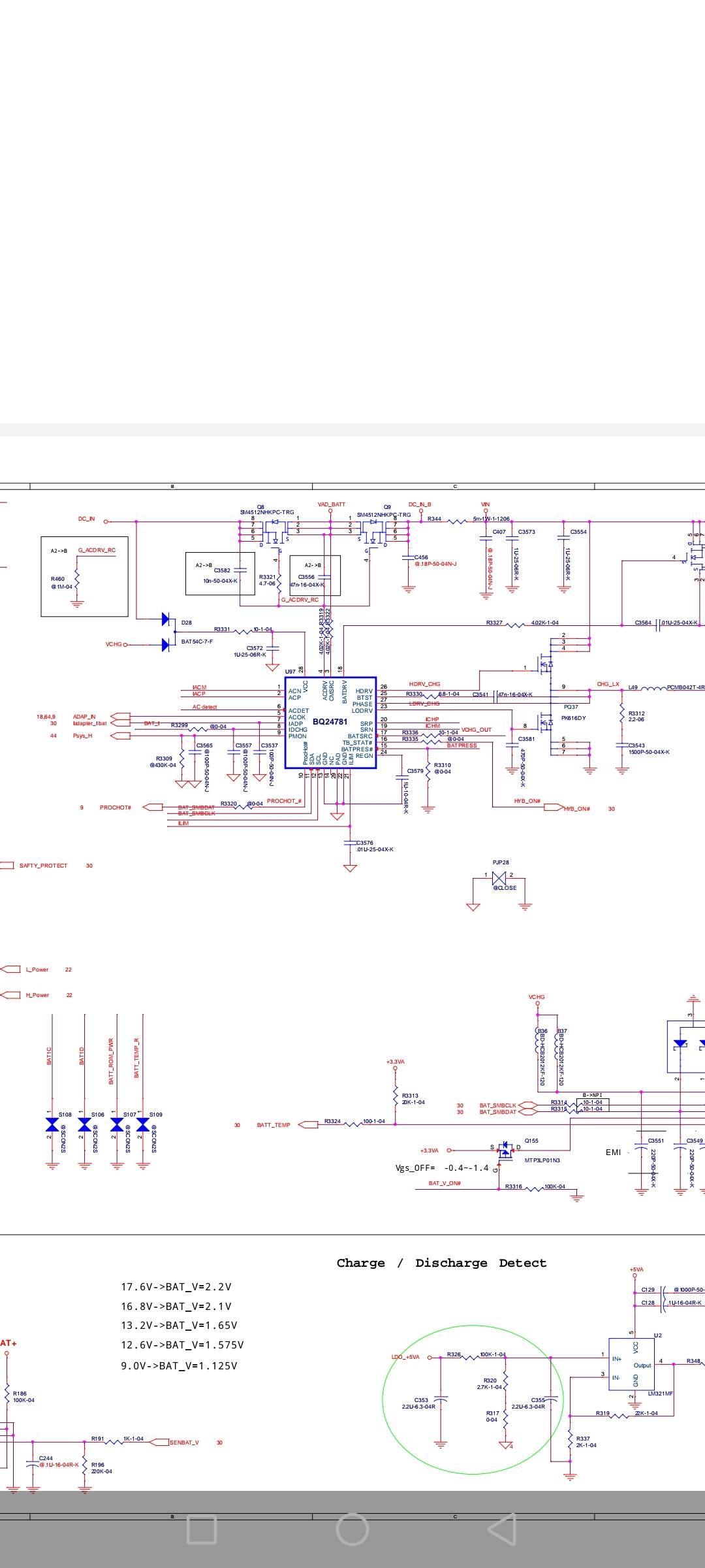
新人第一次维修神舟笔记本主板,主板型号为GK7CP6S,主板故障为不开机,19v已经传到主板上(测量图二r344为19v,没找到3v5v供电芯片,图三的l50和l35均没电压),可以给点维修思路吗?

                               
登录/注册后看高清大图


                               
登录/注册后看高清大图


                               
登录/注册后看高清大图


作者: u1451425    时间: 2023-11-15 21:50
点位图链接:https://pan.baidu.com/s/1dZU9t8giVwPxSdUdu5Bhjg?pwd=fk54
作者: FY1234FY    时间: 2023-11-15 22:23
接可调电源,电流跑多少?你的尽量说得详细一点,大家才好帮你分析一下,说一点维修思路。
作者: u1451425    时间: 2023-11-15 22:48
FY1234FY 发表于 2023-11-15 22:23
接可调电源,电流跑多少?你的尽量说得详细一点,大家才好帮你分析一下,说一点维修思路。

电流为0.03A,按电源键无跳变
作者: liyanchenshizhu    时间: 2023-11-16 06:39
360截图20231116063847173.jpg
登录/注册后看高清大图


作者: FY1234FY    时间: 2023-11-16 06:52
先找到待机3、5V电感,然后查看待机芯片正不正常?
作者: didi8163    时间: 2023-11-16 07:58
应该是按开关2秒后,电流跳到0.3-0.5之间,然后掉,南桥坏
作者: u1524657    时间: 2023-11-16 12:07
修好了没有?后来是什么问题?
作者: 迅维小张    时间: 2023-11-16 14:33
您好,欢迎加入迅维网,有你更精彩
请遵守论坛管理规则哦!
迅维网管理总则--新手必读http://www.chinafix.com/thread-5924-1-1.html
我这边还有一些我们迅维老师整理的维修资料,可以发给你免费学习  加我微信领取 13691708525

作者: u1451425    时间: 2023-11-16 16:41
FY1234FY 发表于 2023-11-16 06:52
先找到待机3、5V电感,然后查看待机芯片正不正常?

3v5v没出,打算换一下u9和u12芯片试试
作者: u1451425    时间: 2023-11-16 16:41
liyanchenshizhu 发表于 2023-11-16 06:39

3v5v没出,打算换一下u9和u12芯片试试
作者: u1451425    时间: 2023-11-16 16:42
u1524657 发表于 2023-11-16 12:07
修好了没有?后来是什么问题?

还没修好,打算换一下u9和u12芯片试试
作者: 新杨科技    时间: 2023-11-16 20:16
u1451425 发表于 2023-11-16 16:42
还没修好,打算换一下u9和u12芯片试试

u9的工作条件都没测就想着直接换?那不如直接换板。。

                               
登录/注册后看高清大图

作者: hxk120    时间: 2023-11-18 07:33
路过围观学习

                               
登录/注册后看高清大图

作者: 一个人的错    时间: 2023-11-18 12:19
新手,路过学习一下!
作者: jiejiequyi    时间: 2023-11-20 08:56
3/5V没出就往前推,查EC的待机条件,没有就再往前,看隔离过了没,acok正常没,acdet正常没




欢迎光临 迅维网 (https://www.chinafix.com/) Powered by Discuz! X3.4