迅维网

标题: ACER宏基笔记本怪异现象,保护隔离不过。 [打印本页]

作者: wwerf    时间: 2023-9-29 14:12
标题: ACER宏基笔记本怪异现象,保护隔离不过。
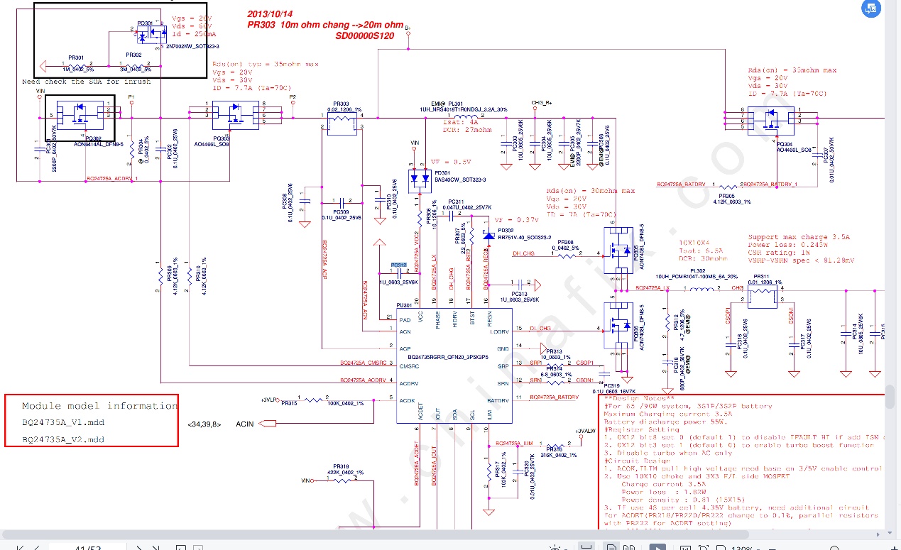
正常,单电池可以开机,插充电器就不过保护隔离,测试充电器芯片,v CC 19v,regn有6v,ACDET有2.6v,分压正常,第一个mos管的G级只有1v,不能导通第一个管,但是把充电芯片的,vcc供电拆掉,通电就可以导通,也可以触发开机,测试。第一个mos管的。第五脚为19v,控制g为18v,第123脚为15v。这种大概哪里问题?已经换个,充电芯片和4个mos管,这个mos管,不是得24v才能导通的吗??怎么18v就导通了??导通后,并不能给电池充电,电池可以正常放电,适配器也可以正常开机,就是不能充电。帮忙指导下,成功发30红包。检流电阻也换了一个,另外一个没换,感觉和检流电阻关系不大。电阻和电容,测试没有明显的损坏。

                               
登录/注册后看高清大图


                               
登录/注册后看高清大图


作者: wwerf    时间: 2023-9-29 14:12
充电器芯片为bq24735
作者: 回家的孩子007    时间: 2023-9-30 12:43
应该是充电芯片挂掉啦
作者: wwerf    时间: 2023-10-1 00:30
回家的孩子007 发表于 2023-09-30 12:43
应该是充电芯片挂掉啦

拆了一个电容。可以用了,不知道能用多久




欢迎光临 迅维网 (https://www.chinafix.com/) Powered by Discuz! X3.4