迅维网

标题: 各位大哥显卡THERM_OVER [打印本页]

作者: udbia    时间: 2023-7-18 13:32
标题: 各位大哥显卡THERM_OVER
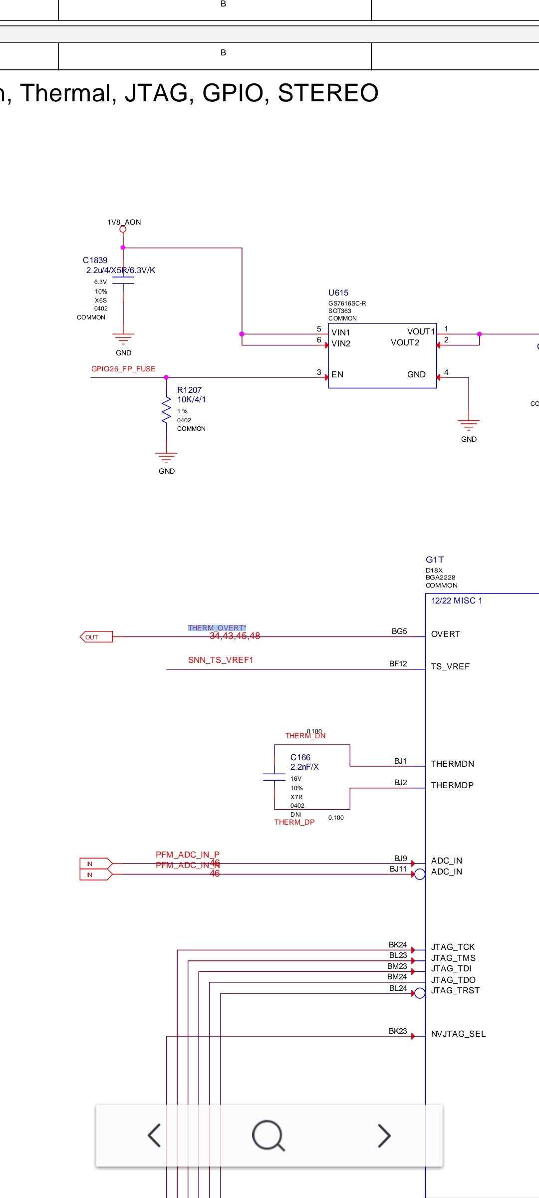
各位大哥显卡THERM_OVERT*是直接受控于核心吗?一块2060开机THERM_OVERT*就被拉低,核心供电后的所有供电都关断。外围都断开还是拉低。是否是核心挂了

                               
登录/注册后看高清大图


作者: 维修空间6    时间: 2023-7-18 14:05
核心供电                     
作者: lzw004    时间: 2023-7-20 23:41
我也碰到这个问题
作者: u1509942    时间: 2023-7-21 13:28

作者: 海韵之恋    时间: 2023-11-19 14:48
u1509942 发表于 2023-7-21 13:28

请勿乱灌水,下次直接扣分




欢迎光临 迅维网 (https://www.chinafix.com/) Powered by Discuz! X3.4