迅维网

标题: 苹果A1398 820-3662暗屏 [打印本页]

作者: 东兴荣盛赖龙盛    时间: 2023-7-2 00:43
标题: 苹果A1398 820-3662暗屏
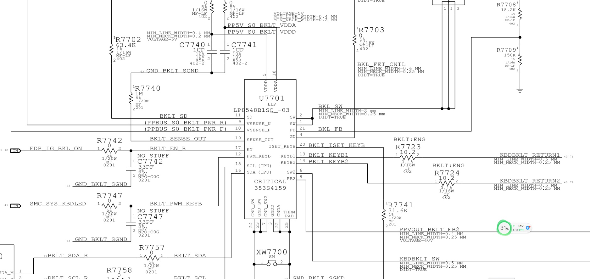
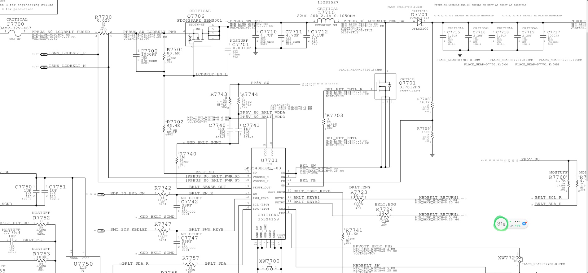
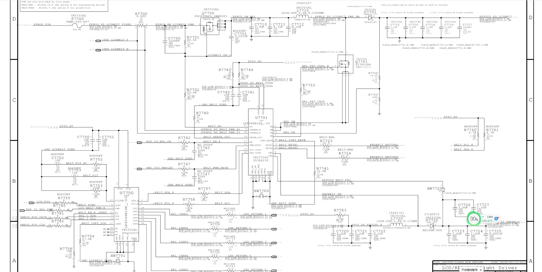
求助苹果A1398 820-3662 无背光,客户带来开机有声音,显示正常暗屏无背光。拆开测量一番,什么都没有动,重新开机正常亮屏。放置一天来回翻盖拉扯排线都正常,第二天开机暗屏故障就出来了。
屏排座J8300 1脚43V,看u7701  en3.3v  稳压d7701 12.6v  -43v,测量相关电阻电容阻值都正常,这个屏幕好像54V左右才亮屏,现在不确定是屏幕问题,还是主板升压故障,图纸电压标注不知道是不是有差异。

                               
登录/注册后看高清大图


                               
登录/注册后看高清大图


                               
登录/注册后看高清大图


                               
登录/注册后看高清大图


                               
登录/注册后看高清大图


作者: hanjia    时间: 2023-7-2 07:50
查一下屏电压。
作者: 东兴荣盛赖龙盛    时间: 2023-7-2 13:08
hanjia 发表于 2023-07-02 07:50
查一下屏电压。

测量都正常,具体是多少脚多少V呢?
作者: 东兴荣盛赖龙盛    时间: 2023-7-2 14:20
hanjia 发表于 2023-07-02 07:50
查一下屏电压。

今天发现奇葩的问题,笔记本背光43v又能正常显示开机了,背光43v暗屏的时候,键盘开关是不能正常触发的。有时背光43v亮屏显示了后,键盘开关可以正常触发开机。
作者: 东兴荣盛赖龙盛    时间: 2023-7-3 13:25


                               
登录/注册后看高清大图

作者: 东兴荣盛赖龙盛    时间: 2023-7-13 17:05
已经解决L8300电感,直接一坨锡搞定。故障分析,测试电压43V为正常,电流过不来导致,不亮背光。这样的故障一波三折,测试参数都是正常,电感阻电流导致。
作者: 风火轮    时间: 2023-7-14 11:11
膜有没有一样的屏可以替换一下呢
作者: liupinganxinkej    时间: 2025-7-13 08:29
你短接的位置也不具体说一下是什么,或上图大家看一下,




欢迎光临 迅维网 (https://www.chinafix.com/) Powered by Discuz! X3.4