迅维网

标题: gv-rx6650xt ir35617一问 [打印本页]

作者: s3654396s    时间: 2023-2-18 22:48
标题: gv-rx6650xt ir35617一问
如题,原卡主表示游玩游戏到一半电源断电
也更换Drmos管,12v不再短路且可上电
但就是不出核心电压,倒是显存上盖供电SOC有出
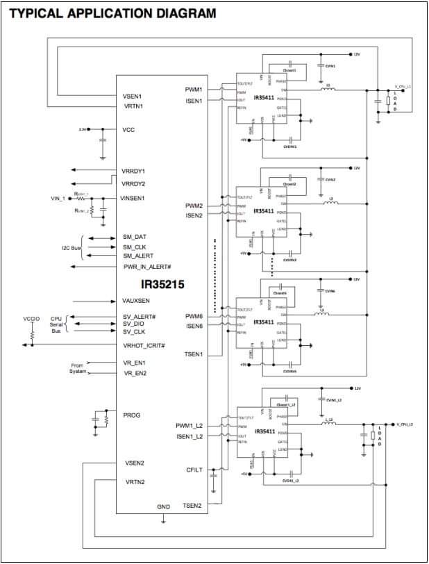
主控采用 IR35617
该芯片输入及启动信号都有高电平
SM总线的CL(pin25)及DA(pin24)都有出3.3v
此时SM_ALERT应该要有3.3高电平,但测得是0v

Pin 17 SVT 3.3v
Pin 20 VRHIT 3.3v
Pin 23 SM_ALERT 0v
Pin 26 PIN_ALERT 3.3v
会导致SM_ALERT 输出0v的原因,基本上就是35217损坏吗?

                               
登录/注册后看高清大图

                               
登录/注册后看高清大图






                               
登录/注册后看高清大图


作者: 禹王后羿    时间: 2023-2-19 08:57
换完再看看,这种就是供电芯片坏的多
作者: s3654396s    时间: 2023-2-23 16:19
禹王后羿 发表于 2023-2-19 08:57
换完再看看,这种就是供电芯片坏的多

5.JPG
登录/注册后看高清大图

从IR PowIRCenter 中看见 回路1的地方 触发OCP 过流保护 代表还有DrMOS管有问题导致不出核心供电吗?

擷取.JPG
登录/注册后看高清大图



作者: xwyjh111    时间: 2023-2-24 11:09
化工科技和供给与
作者: 禹王后羿    时间: 2023-2-24 18:35
12V短路的话,核心坏的概率百分之七十。
作者: s3654396s    时间: 2023-2-24 23:51
禹王后羿 发表于 2023-2-24 18:35
12V短路的话,核心坏的概率百分之七十。

基本上已经放弃了,DrMOS击穿有概率核心会坏,这次就碰上了
VDDCR_SOC 压降接近短路,实测几乎都只有0.000-0.001(正常要有0.002-3)
已宣告抬走,A卡坑太多翻车率真的有点高




欢迎光临 迅维网 (https://www.chinafix.com/) Powered by Discuz! X3.4