迅维网

标题: 联想Y7000没有VCORE [打印本页]

作者: 林少军    时间: 2022-8-26 01:22
标题: 联想Y7000没有VCORE
电脑开始是PU1201烧糊短路南桥同时也短路,换好电流0.44左右没出VCORE电压,发现PR2908电阻腐蚀,换上去后还没等来得及开心电流还是0.44没变化,以为桥没做好又重新植球一遍故障依旧,人总是在无助的时候乱想胡思怀疑桥有问题,结果换了还是一样、再后来找上电时序一步步查,知道VCORE要出来,EC要发出pCH_PWROk与SYS_PWROK给南桥,南桥收到后发出H_CPUPWRGD与PLT_RST#还有发BUF_CPU_RST#,CPU收到这些信号还有时钟后经过SVID开启VCORE电压,知道这个时序后测H_CPUPWRGD有1.05V。PLT_RST#与BUF_CPU_RST#均没有,到这里已经是油尽灯枯有心无力,又开始前不着村后不着店怀疑南桥是不是坏的,一不做二不休又开干,几经波折还是没能带来惊喜却是痛苦万分。已经知道没有PLT_RST#既想放弃又不想放下屠刀,箭在弦上不得不发开弓没有回头箭再来一次说干就干,拆下南桥打组织以上的信号确认组织正常没有短路断线,还有bios连接南桥的线路也量过没有断线查这里已经心灰意冷,已经换了两个南桥了不会这么衰那两个都是坏的吧?又开始第三轮干桥,结果事以愿为背道而驰还是不如所愿故障涛声依旧,理想很丰满现实很骨感到这里只能求师学艺,只怪自己学艺不精,有没有哪位老师或大神指点迷经该往东还是向西本人愿意教学费

                               
登录/注册后看高清大图


                               
登录/注册后看高清大图


                               
登录/注册后看高清大图


                               
登录/注册后看高清大图


作者: 韩宇    时间: 2022-8-26 09:16
还是桥,要么掉点要么焊接不良
作者: rimnmgds    时间: 2022-8-26 09:41
韩宇 发表于 2022-08-26 09:16
还是桥,要么掉点要么焊接不良

都换了好几个了,估计是别的地方了!
作者: 林少军    时间: 2022-8-26 10:28
韩宇 发表于 2022-08-26 09:16
还是桥,要么掉点要么焊接不良

已经仔细查了有有掉点的已经补好,用表笔量过没问题
作者: 林少军    时间: 2022-8-26 10:29
rimnmgds 发表于 2022-08-26 09:41
都换了好几个了,估计是别的地方了!

已经换几个了不应该焊接问题,而且也是重植过电流一植没变过,
作者: 林少军    时间: 2022-8-26 14:48
韩宇 发表于 2022-08-26 09:16
还是桥,要么掉点要么焊接不良

这个方面我也怀疑过,已经全部排查,有可能你说的桥没焊好,但是应该啊才对啊,一共干了5遍电流一直没变化过,当时也有Y7000P也是PU2101短路南桥也是烧坏,那台一次性就干好了不拖泥带水
作者: 董永祥    时间: 2022-8-27 09:16
这个换桥要刷BIOS啊
作者: 林少军    时间: 2022-8-28 13:34
董永祥 发表于 2022-08-27 09:16
这个换桥要刷BIOS啊

BioS刷了两个,桥换了3个
作者: 林少军    时间: 2022-8-28 14:20
有没有修到这个板号的拍笑南桥前后对比一下,拜托各位了,NM-B961

作者: zsj19870605    时间: 2022-8-29 14:34
你这个是不是vboot电压都还没有啊?
作者: lilele    时间: 2022-8-29 14:35
你这焊盘都掉点了    排除下吧
作者: lilele    时间: 2022-8-29 16:21
完全可以做到不掉一个点
作者: www95995    时间: 2022-8-29 17:12
换cpu吧  我之前遇到个跟你一模一样的  也是桥不发plt_rst  我最后换了u  cpu供电出来了 也亮了
作者: 晴天G    时间: 2022-8-29 17:16
给我的感觉,还是桥这边的问题,我也换这个40B不少,联想的也掉点,不过都是空点,干不上去重植就OK,还是仔细排查下是不是有用的点掉了。
作者: 长兴正通    时间: 2022-8-29 18:17
只怪自己学艺不精
作者: 二月花    时间: 2022-8-29 18:28
桥不太可能了吧,桥不出PLTRST 除了时序 阻值外,桥得所有供电都正常才可以,不知道楼主测完小供电没没?
作者: 花花火火    时间: 2022-8-29 21:07
不应该刷个bios?
作者: 永坤    时间: 2022-8-29 21:46
刷个bios试一下,有ec可以换个试一下

作者: wlpdexunwei    时间: 2022-8-29 22:18
干cpu有惊喜
作者: 铭轩科技    时间: 2022-8-30 02:11
不会是没用原装电源测量吧
作者: 81131379    时间: 2022-8-30 08:06
同样问题

                               
登录/注册后看高清大图

                               
登录/注册后看高清大图

作者: 大环电子    时间: 2022-8-30 10:36
放弃治疗算了,浪费时间
作者: 林少军    时间: 2022-8-30 10:44
晴天G 发表于 2022-08-29 17:16
给我的感觉,还是桥这边的问题,我也换这个40B不少,联想的也掉点,不过都是空点,干不上去重植就OK,还是仔细排查下是不是有用的点掉了。

有重植过,也有重新加焊,锡熔的时候我还用镊子压桥。以前做过联想E40花屏就是没焊好,锡熔的时候压下让焊盘会接的更好
作者: 林少军    时间: 2022-8-30 10:46
lilele 发表于 2022-08-29 14:35
你这焊盘都掉点了    排除下吧

掉点已经仔细排除了用显微镜看的
作者: 林少军    时间: 2022-8-30 10:46
花花火火 发表于 2022-08-29 21:07
不应该刷个bios?

bios刷过两个了在论坛上找的
作者: 衡阳天河    时间: 2022-8-30 10:49
修过一台FX80G也是不出PLTRST,没修好
作者: 林少军    时间: 2022-8-30 10:50
永坤 发表于 2022-08-29 21:46
刷个bios试一下,有ec可以换个试一下

等有个一样的机子过来系统,换过来试试
作者: tantqh    时间: 2022-8-30 13:52
本帖最后由 tantqh 于 2022-8-30 13:54 编辑

PL2101 对地阻值是多少,严重偏低就确定PCH坏了,
作者: 159633    时间: 2022-8-30 15:32
wlpdexunwei 发表于 2022-08-29 22:18
干cpu有惊喜

也有可能是惊吓

                               
登录/注册后看高清大图

                               
登录/注册后看高清大图

                               
登录/注册后看高清大图

作者: 159633    时间: 2022-8-30 15:37

怎么没看见你查VID
作者: 林少军    时间: 2022-8-30 17:51
www95995 发表于 2022-08-29 17:12
换cpu吧  我之前遇到个跟你一模一样的  也是桥不发plt_rst  我最后换了u  cpu供电出来了 也亮了

要是CPU就放弃了,只可惜到最后不知道是不是CPU问题,还是其他地方

作者: 林少军    时间: 2022-8-30 17:54
159633 发表于 2022-08-30 15:37
怎么没看见你查VID

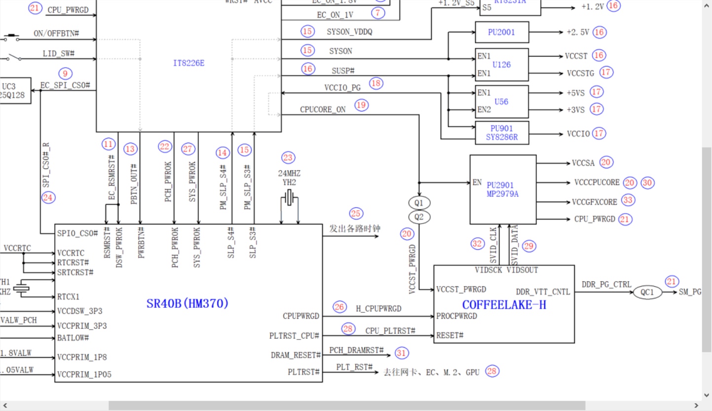
PLT_RST没出来还没到SVID。PLT_RTS组值530欧正常对比过其他板,
作者: 林少军    时间: 2022-8-30 17:58
铭轩科技 发表于 2022-08-30 02:11
不会是没用原装电源测量吧

你这么说我也装电池试了没用
作者: 159633    时间: 2022-8-30 18:37
林少军 发表于 2022-08-30 17:54
PLT_RST没出来还没到SVID。PLT_RTS组值530欧正常对比过其他板,

.可以把电路图发给我吗?我看下,313341882@qq.com
作者: 雨哥好    时间: 2022-8-30 21:50
看你这个就是供电烧坏,应该没有坏到cpu那里,你检查一下南桥周边有没有掉件的,仔细看看
作者: 乔儿    时间: 2022-8-31 05:25
直接换个BIOS芯片,你会有收获的....前车之鉴
作者: 穿壁引光    时间: 2022-8-31 13:05
40B买的都不一定是好的现在
作者: jiweilong    时间: 2022-9-2 17:54
CPU的可能大
作者: maithon    时间: 2022-9-4 08:08
桥干了三次,pcb都要报废了。bga没找到确切的实证,不要动他,还是多思考少动bga.
作者: 芯捷电脑    时间: 2022-10-3 19:39
请楼主把时序图发一下,只有一部分看不完整。
作者: HHDNKJ168    时间: 2022-12-10 22:11
你好,你上面这个时序图在那找的,能发给我一份吗
作者: HHDNKJ168    时间: 2022-12-10 22:26
楼主能打时序图经完整点吗

作者: HHDNKJ168    时间: 2022-12-10 22:29
楼主能把时序图发一下吗,完整的。
作者: HHDNKJ168    时间: 2022-12-10 22:32
你好能把完整的时序图发一下吗




欢迎光临 迅维网 (https://www.chinafix.com/) Powered by Discuz! X3.4