赖信杰 发表于 2022-4-9 10:47
那么多装反的,估计别人修过的吧
11123456 发表于 2022-4-9 10:58
估计这是老师,考核学员 ,故意做出来的故障。你这学员技术过关了
覃小超 发表于 2022-4-9 10:27
大佬,学习了
鹤修士 发表于 2022-4-9 09:55
这排版神奇了
fikret196868 发表于 2022-4-9 07:29
谢谢兄弟干得好
191686994 发表于 2022-4-9 07:40
牛逼,膜拜未来大神
caijingbao 发表于 2022-4-9 08:53
这种编辑贴了的很好,不用爬楼了。
风过竹溪 发表于 2022-4-9 09:43
过来看看,入坑的新人不错
B3M0KY6 发表于 2022-04-09 11:49
请问肖特基二极管装反会怎么样吗
cda6120 发表于 2022-04-09 12:40
不用猜,技术考核,你过关了。
lg4227534 发表于 2022-04-09 14:05
不错修的有思路找毛病也挺准
花括号里的括弧 发表于 2022-04-09 15:37
此人为同期学员中肝帝,目前头顶肝到寸草不生,学习十分勤奋,令人敬佩。
绿岛小寒 发表于 2022-04-09 16:34
这个行业还有新人入啊,哈哈。
18225972197 发表于 2022-04-09 20:50
牛逼了,可惜没法去实地
小博士123 发表于 2022-04-09 21:15
板子,还有笔记本屏幕吗?我们都是外接液晶哦
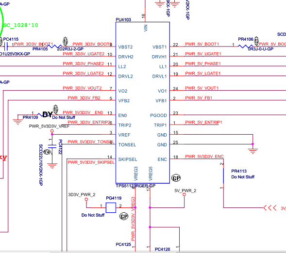
清空 发表于 2022-04-09 21:39
这个芯片的en0要什么状态下才会产生线性电压。
清空 发表于 2022-04-09 21:41
还有就是ec 拉低pwrbtn后不恢复高电平,这就是南桥的问题吗
数码爱好123 发表于 2022-04-09 21:53
这排版好像有问题吧 怎么看着1-33?显示不全
mjml1234 发表于 2022-04-09 23:30
厉害咯,快出师了
刘家魅力 发表于 2022-4-10 00:18
装反会短路大电流


刘家魅力 发表于 2022-04-10 00:18
都是课上老师讲过的。强调过的

入门到放弃 发表于 2022-05-19 21:51
大佬,能加个VX交流一下吗
刘家魅力 发表于 2022-5-19 22:04
我是新人。我加你吧
| 欢迎光临 迅维网 (https://www.chinafix.com/) | Powered by Discuz! X3.4 |