迅维网

标题: 记一次小米15寸不开机维修 [打印本页]

作者: huan.    时间: 2021-9-4 15:42
标题: 记一次小米15寸不开机维修
如题,接机一台小米15.6寸的维修

到手接电已经升压20v   拆机目检无进水无火烧

【维修过程】测量L60200 5v   L60100 3.3v均未产生

往前排查发现公共点为2.9v

断电实测二极体值为100左右

在路测充电电感上管Q60000 D S已经击穿

拆之……主板上还是连通



                               
登录/注册后看高清大图

看图纸,也就是pvbat与pvback短路了,拆掉Q60000不行,那么肯定拆掉Q60012就行。

事实上太想当然很容易被打脸……拆掉Q60012后在主板上测量D S级还是导通的

回到图纸

                               
登录/注册后看高清大图

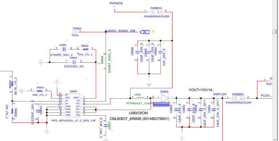
可以看到还有u60800 u61800与这两个电压有关

实际上这里图纸与实物有点出入  有兴趣的可以自己查看图纸。

实物位置为u6800另外一个没装

                               
登录/注册后看高清大图


                               
登录/注册后看高清大图



当拆掉d6800时 pvbat pvpack已经不连通了
在废屏上找了个二极管补上去



                               
登录/注册后看高清大图

百度了一下这个芯片应该是个开关升压稳压器  一开始推测是不是把7.4v的电池升压成12v给主板供电

                               
登录/注册后看高清大图

实测结果好像也不太一样(这里已经从好的板子上把芯片和二极管重新换过了)

这里还挺费解的……   只有7.6v约等于电池电压好像没啥用而且充放电都正常

                               
登录/注册后看高清大图


                               
登录/注册后看高清大图


                               
登录/注册后看高清大图


作者: 周海    时间: 2021-9-4 15:57
吧这个小米的图纸传一份看看啊
作者: lajidong    时间: 2021-9-4 16:04
12V是给音频功放电路供电的,没升压估计也有声音,就是音量可能没原来大了
作者: huan.    时间: 2021-9-4 19:46
lajidong 发表于 2021-09-04 16:04
12V是给音频功放电路供电的,没升压估计也有声音,就是音量可能没原来大了

原来这是音频功放供电啊,这样说的话电池输出时需要升压12v,适配器时只需要DC降压就行了
作者: huan.    时间: 2021-9-4 19:48
周海 发表于 2021-09-04 15:57
吧这个小米的图纸传一份看看啊

鑫制造上面就有的      
作者: huan.    时间: 2021-9-4 19:52
lajidong 发表于 2021-09-04 16:04
12V是给音频功放电路供电的,没升压估计也有声音,就是音量可能没原来大了

开机时实测等于电池电压,明天放音乐在试试会不会升压,已经换了一套芯片的
作者: 黑客不要黑我呀    时间: 2021-9-7 17:18
图纸哪来的啊               
作者: 小王良    时间: 2021-9-7 18:47
黑客不要黑我呀 发表于 2021-09-07 17:18
图纸哪来的啊               

有,私聊我,有偿
作者: chaosu002    时间: 2021-9-8 03:47
图纸呢?放上来看看
作者: 何国锋    时间: 2021-9-8 10:16
固态硬盘插座都被你吹变形了
作者: jsxzcy123    时间: 2021-9-8 11:58
路过学习,谢谢分享                       
作者: 2237008940    时间: 2021-9-8 14:48
加分了,这机器图纸怕不好找把
作者: 怀雪    时间: 2021-9-10 22:28
好多电脑公共点进声卡部分了

作者: 314285415    时间: 2021-9-11 10:12
厉害  学习了!!
作者: suyajuncn    时间: 2021-9-11 14:03
配器时只需要DC降压就行




欢迎光临 迅维网 (https://www.chinafix.com/) Powered by Discuz! X3.4