迅维网

标题: 华硕笔记本FX63V,FX80GE充不进电 [打印本页]

作者: 钢铁直男    时间: 2020-10-12 00:17
标题: 华硕笔记本FX63V,FX80GE充不进电
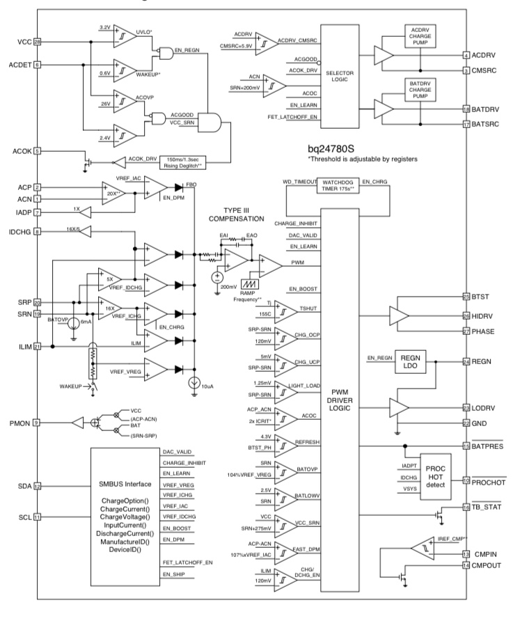
充电芯片BQ24780S。插适配器可以正常开机,拔掉适配器直接关机。FX63V(未修)系统里电池跑进度条,充不进电,无充电电流。FX80GE(未修)刚开机跑充电进度条,几秒后停止,电池条一直定住89%,bios内也定住89%非电池问题,电池数据时钟3.24V。充电芯片28,1234567电压正常。ILIM  0.7V,上下管驱动无输出,25脚和27脚串联电容,自举升压电容25脚这边有5.8V而27脚0.83V,后面的电感上和MOS管,电池正极都是0.83V。是不是可以判断自举升压电容损坏,或芯片损坏?

                               
登录/注册后看高清大图


                               
登录/注册后看高清大图


                               
登录/注册后看高清大图


作者: 钢铁直男    时间: 2020-10-13 00:41
FX80GE因大电流不开机,修开机后交机回去使用,玩游戏直接关机,又得蛋疼了。返修。
作者: JET2D    时间: 2021-1-2 11:39
同样求助。FX80G    用适配器开机。电池BIOS显示百分百电量,拔掉可调电源直接关机,单用电池不开机。这款机型接可调电源没有3 5V,待机0.00    按开机能触发 出3  5V正常吗





欢迎光临 迅维网 (https://www.chinafix.com/) Powered by Discuz! X3.4