迅维网

标题: 神舟战神K650D主板,内存供电不出,裸板电流跑到0.69左右!望大神们莅临指导!!! [打印本页]

作者: 浩悦    时间: 2020-7-23 20:56
标题: 神舟战神K650D主板,内存供电不出,裸板电流跑到0.69左右!望大神们莅临指导!!!
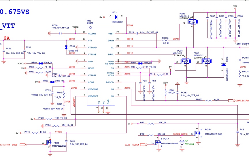
神舟战神K650D主板,主板不能正常亮机,裸板电流跑到0.69左右就不动了!一直卡着!经过测试发现内存供电没出,测试内存供电条件,上图纸发现内存供电管理芯片的开启,受到一个6角管的控制,经过测试发现管理芯片已经收到5V的开启了,内存供电管理芯片已经收到开启信号了,但是没有供电输出!手里没有合适的芯片可以进行带换,就搞下来重新焊了一下效果一样,请大神们帮忙看下,有没有判断错的地方!望大神们指导

                               
登录/注册后看高清大图

                               
登录/注册后看高清大图

                               
登录/注册后看高清大图


                               
登录/注册后看高清大图


                               
登录/注册后看高清大图


                               
登录/注册后看高清大图


                               
登录/注册后看高清大图


                               
登录/注册后看高清大图


                               
登录/注册后看高清大图


作者: pyjincheng    时间: 2020-7-23 21:48
貌似二脚为高貌似二脚为高导通  6脚为低3 4截止开启就为高了
作者: jxgzwen    时间: 2020-7-23 22:07
故障点找到了, 就好办了               
作者: vividyc    时间: 2020-7-23 22:12
芯片的工作电压有吗?
作者: 周杰伦维修    时间: 2020-7-24 00:16
手上正好有一块神舟笔记本。感觉南桥坏的几率大
作者: 周海    时间: 2020-7-24 09:44
裸板跑0.69  没有内存电压.电流有点高了吧.
作者: 276400043    时间: 2020-7-24 10:25
来学习经验的   楼主修好上传下维修过程个故障点
作者: ikissmylove    时间: 2020-7-24 10:28
先订芯片回来换看,就算没有惊喜也可以继续往下修了
作者: greaterlife    时间: 2020-7-24 15:59
S3 S5的开启都要有,再仔细查下,曾碰到S5的开启藕断丝连,内存供电时有时无
作者: ZHANGHOUHI    时间: 2020-7-24 16:26
工作条件都满足了,只能先换下芯片试试
作者: 级菜鸟    时间: 2020-7-24 19:43
没内存电流应该在100多到200
作者: 级菜鸟    时间: 2020-7-24 19:44
测一下MOS有没有短路o
作者: 志强α    时间: 2020-7-24 20:36
供电开启都有的话就换蕊片
作者: 浩悦    时间: 2020-7-24 21:19
vividyc 发表于 2020-07-23 22:12
芯片的工作电压有吗?

工作电压是有的
作者: 浩悦    时间: 2020-7-24 21:21
志强α 发表于 2020-07-24 20:36
供电开启都有的话就换蕊片

手里暂时没有,只能定了,希望等芯片到了可以给我个惊喜

                               
登录/注册后看高清大图

作者: 浩悦    时间: 2020-7-24 21:23
ikissmylove 发表于 2020-07-24 10:28
先订芯片回来换看,就算没有惊喜也可以继续往下修了

定芯片了,希望等芯片到了可以给我个惊喜
作者: AYA5205861    时间: 2020-7-24 22:39
芯片条件都正常,可以用示波器看下pwm波形有没出,当然换芯片是最快的了
作者: 精诚快修科技    时间: 2020-7-25 05:42
我修过 换一小电阻 解决问题
作者: 梦Meng    时间: 2020-7-25 08:39
芯片的工作电压有的话先换个芯片试下就算不行也可以继续往底下修了
作者: 天同专修    时间: 2020-7-25 09:52
路过,学习中啊,呵呵,谢谢楼主的帖子
作者: 浩悦    时间: 2020-7-25 18:26
精诚快修科技 发表于 2020-07-25 05:42
我修过 换一小电阻 解决问题

那一个电阻?
作者: mmbest    时间: 2020-7-25 23:10
换南侨就OK了
作者: 17551007013    时间: 2020-7-26 01:45
直接拆了pq1
作者: 精诚快修科技    时间: 2020-7-27 16:21
查内存供电芯片附近的一个电阻 我具体不记得了?你仔细查查看
作者: 风骑士    时间: 2020-7-27 16:34
这机器 CPU还能值点钱。。。。。。。。。。。。。。。。。。。。。。。。。。。
作者: hyy5124    时间: 2020-7-27 21:35
周海 发表于 2020-07-24 09:44
裸板跑0.69  没有内存电压.电流有点高了吧.

感觉有短路,
作者: 伊信电脑    时间: 2020-7-27 21:48
学习....................




欢迎光临 迅维网 (https://www.chinafix.com/) Powered by Discuz! X3.4