迅维网

标题: 这波波谁会看? [打印本页]

作者: lihengwang    时间: 2020-2-11 15:20
标题: 这波波谁会看?
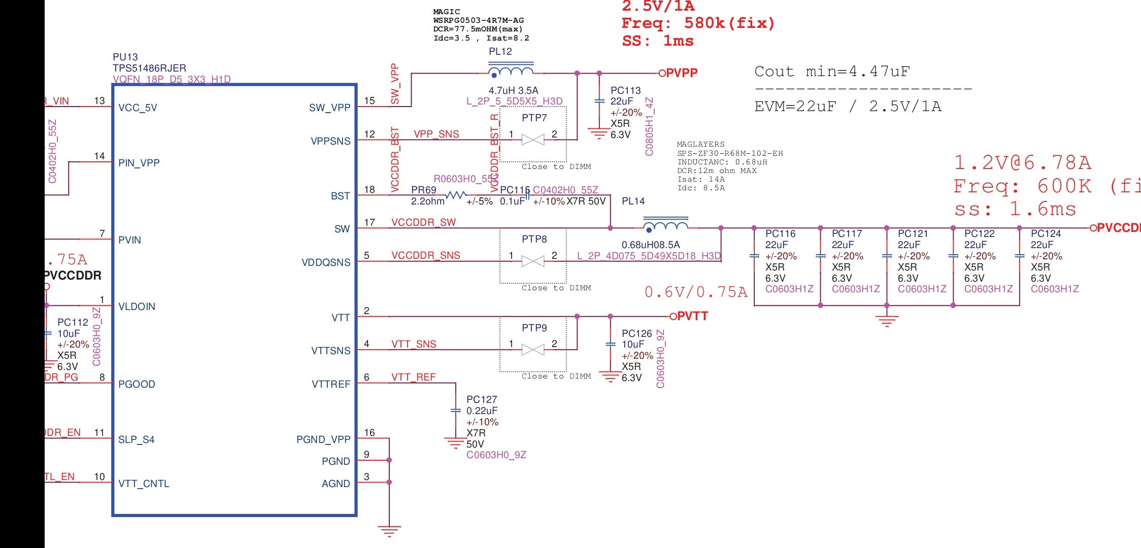
这波波是杂波吗?测量的是应该是pvtt,应该有0.6v左右的电压。芯片是tps51486,全网只只找到一份资料。也没图纸。
万能表有0.9mv。

                               
登录/注册后看高清大图


                               
登录/注册后看高清大图


                               
登录/注册后看高清大图


作者: AZASR半月    时间: 2020-2-11 17:41
怀疑坏了就换掉,芯片又没法修的
作者: zhangxunhai    时间: 2020-2-11 20:22
你怎么看出是0.6v左右的电压

这是通道1,20MV的,,如果是0.6V(600MV)的话,应当幅度很高呢
作者: lxzg    时间: 2020-2-11 20:49
这个就是固定输出电压,VTT电压,这个波形没啥意义

应该看手册中的工作条件,根据手册的时序来维修,如果条件都正常,基本就是芯片坏,更换

这个内存供电芯片么?
作者: lxzg    时间: 2020-2-11 20:52
另外0.6V,至少用100mv以上档位测量,或者500mv档位,否则你根本看不到。你现在看到20mv说明没有输出

作者: lihengwang    时间: 2020-2-11 22:05
zhangxunhai 发表于 2020-02-11 20:22
你怎么看出是0.6v左右的电压

这是通道1,20MV的,,如果是0.6V(600MV)的话,应当幅度很高呢

根据图纸得知
作者: lihengwang    时间: 2020-2-11 22:11
联想中国 发表于 2020-02-11 20:49
这个就是固定输出电压,VTT电压,这个波形没啥意义

应该看手册中的工作条件,根据手册的时序来维修,如果条件都正常,基本就是芯片坏,更换

这个内存供电芯片么?

估摸着是吧。但是如果是,这内存主供电对地只有2。几,烧又没烧不出什么,电流很小。机器是摔的4代带板载内存的,想着问题多半是短路掉件,所以才不怎么考虑芯片出问题。没图纸点位图是难修
作者: 小詹师傅    时间: 2020-2-11 23:29
这就是个开关升压电路,只有0.9v应该是芯片没问题!把升压电感和二极管一起换了!试试
作者: cxfzyyh123    时间: 2020-2-11 23:34
zhangxunhai 发表于 2020-02-11 20:22
你怎么看出是0.6v左右的电压

这是通道1,20MV的,,如果是0.6V(600MV)的话,应当幅度很高呢

这不用看,内存vtt本来就是0.6v,四代的条子
作者: AZASR半月    时间: 2020-2-11 23:42
多想想滤波电容的作用
作者: AZASR半月    时间: 2020-2-11 23:45
前端滤波电容设计的太抠,时间长了老化漏电了,电流不够用了
作者: lihengwang    时间: 2020-2-12 01:00
AZASR半月 发表于 2020-02-11 23:45
前端滤波电容设计的太抠,时间长了老化漏电了,电流不够用了

这电脑很新,上月11号才启用,摔的,没保修
作者: 飞翔者    时间: 2020-2-12 01:02
这个波形应该没有意义,其实就没有输出,杂波而已。
作者: lvxiang    时间: 2020-2-12 08:03
负载供电,0.6对呀!
作者: AZASR半月    时间: 2020-2-12 08:22
lihengwang 发表于 2020-02-12 01:00
这电脑很新,上月11号才启用,摔的,没保修

摔过的你看波形?好好用万用表跑线路吧
作者: lihengwang    时间: 2020-2-12 12:33
AZASR半月 发表于 2020-02-12 08:22
摔过的你看波形?好好用万用表跑线路吧

该出没出为什么不看?后继拉低还是滤波不良一看波形就该知道了。还有跑线有些过孔就没了,最好找个差不多的图纸。可惜都没有。
这帖子目的
1、这波形为什么被拉成负?
2、芯片资料实在太少,让我怀疑我有没有找错资料?
产生这疑问是因为这板有2个芯片让我疑惑,1是丝印AWVORE,没手册,淘宝大概是AWV开头的sy8286(a/b/c/r),不同版本都不能代换。
2是AWRBOK,应该是Sy8286a。这个有手册,输出3。3v。板实测1.35v,fb脚0.6都对的上手册,电阻阻值又是902:897,算出来应该输出1.2几的电压。再看实物线路,这应该给显存供电的吧,但输出电压与手册不相符,我找错资料?
作者: AZASR半月    时间: 2020-2-12 13:14
摔过的,掉点断线的,你用个示波器测什么?干脆供电脚翘起来,脱线测供电
作者: gomblie    时间: 2020-2-12 13:19
不是应该先查一下,这个芯片工作条件吗?
作者: 18079990556    时间: 2020-2-12 16:11
还没用过示波器   表示 一脸懵逼           
作者: 兴兴向荣    时间: 2020-2-12 20:13
看你留的图纸   10脚是开启内存vtt电压的信号。看看有没有
作者: lihengwang    时间: 2020-2-12 22:39
兴兴向荣 发表于 2020-02-12 20:13
看你留的图纸   10脚是开启内存vtt电压的信号。看看有没有

没再搞了,放弃了。备份了BIOS,应该好的

                               
登录/注册后看高清大图

作者: 山高人为峰    时间: 2020-2-13 08:12
三无(无图纸,无点位,无参考),除了通病和肉眼可测问题, 就只有大神出手了,吾等只能望而却步
作者: 136532981    时间: 2020-2-15 00:53
抓这脚波形有什么用,直接看输入输出,和控制信号




欢迎光临 迅维网 (https://www.chinafix.com/) Powered by Discuz! X3.4